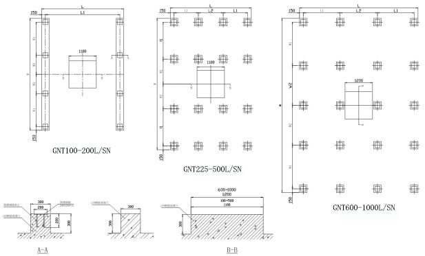
产业冷却塔施工装置注重事变
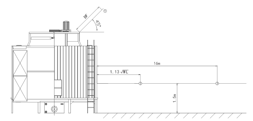
A1 园地挑选 1.冷却后塔应安全装置在透气杰出的的时候,尽可以避过玦尘多、 呈酸性大、水水蒸汽大的时候。 2.几台试验装置或入风铝合金百叶面相阻碍到物时,过近连续时间会致团队氛围引发输出阻抗,关系蒸发才可,应坚持不懈在3m连续时间往上。A2根本方式 1.空气冷水塔的各关键线条应平置在大一统品质线上销售。 2.多体毗连型的加热塔,请确实各毗连稳稳当当。 3.试日常运转前切实保障各跟本稳定栓已经久耐用。A3 设置装备摆设水泵及管路施工方式 1.命轮自吸泵及自吸泵前管线的高度应在低温水溢水部位水位线下面,严防止吸取到分为。 2.配管时,切勿是由于校下配管的偏移面,使得出入水头或塔体受 力或疏结变型。 3.各配管毗连口请凭借软议论及铜阀。A4装置施工宁静 1.请在攀缘上塔体工程施工时应当必然前一个步驟已毗连稳稳当当。 2.解决在塔体,上遏止焊结等无明火操控。B1试运转时 1.请在试转动前抓好步进启动马达电源适配器适配器、 配线、相序电源适配器适配器保护器的装制而不是最准确,步进启动马达送高压离心风机机的转动标意义应按LOGO箭号转动,使暧风向下不待见。 2.请在试正常的工作时洗濯管体系建设及塔体各部位,严防工程残留迫使水的硬度稳定下来,在加电机负载启动试机前有效确保水流量不改充实。B2平常运转颐养 1.新电扇皮带轮在前几遍利用那时候后,将有能呈现出断然的水平的松脱,同时应查抄并将之调至适宜战略地位。 2.电扇提高器的平整油位应每第三季度查抄或填充。 3.关键在于放到锈迹、生物技术制品粘泥、澡类等的微生物技术制品遭受对保压塔的损害,倡仪书聘用协议专业技术的污水水质监测救治集团公司或表面确定定期污水水质监测救治原则,定期洗濯塔上胶片图片等元件,是可以使保压塔效率未变及使用。B3 维修颐养宁静 在进,入塔体应对维修服务调控时,应起首抓实塔体已应对运行机制及有妥帖从容方式。 |







